1997 Honda Civic 2 Door Ex Ka 4at Engine Mount Honda Parts Now
1997 Honda Civic 2dr Passenger Side Door Speaker Grill Cover
1996 1997 Honda Civic Models Service Shop Repair Manual Set
For Honda Civic 96 98 T R Style Pu Urethanefront Bumper Lip Spoiler Bodykit Buy For Honda Civic 96 98 Front Bumper Lip For Honda Civic T R Style
Cebollofor 1997 Honda Civic S Photo Gallery At Cardomain
1997 Honda Civic Parts Breaking For Sale In Gort Galway
2hgej6679vh529669 Parts Only Bos Green Honda Civic At Saint
Used 1997 Honda Civic Lx Parts Car Silver With Gray
Parting Out 1997 Honda Civic Stock 110683 Tom S
Toothpickjr 1997 Honda Civic Specs Photos Modification
1997 Honda Civic Parts Diagram Nice Place To Get Wiring
Details About For 96 97 98 Honda Civic 2dr 4dr Urethane Rear Bumper Lip Spoiler Bodykit Pu
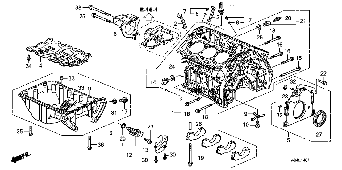
2000 Honda Civic Engine Diagram Diagram Data
1997 Honda Civic 2dr Passenger Side Door Speaker Grill Cover
Honda Civic 5 Door 1997 2000 Window Regulator Manual Car
Chassis Cont Mod 1997 Honda Civic
1997 Honda Civic Pricing Reviews Ratings Kelley Blue Book
1997 Honda Civic Ex Engine Diagram Wiring Diagram 500
Auto Parts Accessories Car Truck Interior Parts 1997
1996 1997 Honda Civic Service Shop Repair Manual Set W Parts
1997 Honda Civic U Pull Auto Parts Dis Dat Auto Wrecking
2001 Honda Civic Engine Diagram Nice Place To Get Wiring
1997 Honda Civic For Parts 40 And Up Depending On Part And
1997 Honda Civic 2dr Passenger Side Door Speaker Grill Cover
1997 Honda Civic 2 Door Hx Kl 5mt Distributor Hitachi
1997 Metallic Silver Honda Civic 4 Door Lx Mileage
Parting Out 1997 Honda Civic Stock 110683 Tom S
Honda Civic Ek 1997 Wrecking Complete Car All Parts
Engine Transaxle Engine Parts Timing Cover Grommet Grommet
Details About Honda Civic Del Sol Power Steering Rack And Pinion Seal Repair Kit 1996 1997
18165 Used 1997 Honda Civic Lx Parts Fresno Tap
Amazon Com Go Parts Aftermarket Replacement For 1993 1997
1997 Honda Civic 5 Doors Partsopen
Honda Civic Parts Melbourne Auto Parts
1997 Honda Civic 3 Door Dx Ka 5mt Door Panel Honda Parts Now
Diagram Also 1997 Honda Civic Hatchback Engine Furthermore
043 1997 Honda Civic Stereo Wiring Wiring Resources
1993 1994 1995 1996 1996 1997 Honda Civic Del Sol Parts
Parts Only No Title 1997 Honda Civic Sedan 4d 1 6l 4 For
Amortizator Perednij Honda Civic Vi 1997 2001 Sleva Kupit Opisanie Avtosvit
97 Honda Civic Engine Diagram Honda Civic Parts Diagram 2001
Steklo Nepodvizhnoe Zadnej Levyj Honda Civic 1997 1 4l
Details About Power Brake Booster Fits 1990 1997 Honda Accord Prelude Civic Parts Master Car
1997 Honda Civic Parts Auto Wreckers Recyclers Anhdonline Com Acura Used
Repair 1994 Honda Civic 15 Liter Engine Cooling Fan Wiring
3163 0 Rub 31 Skidka Car Aluminum Front Upper Strut Bar For Honda Civic Eg Ek 1992 2000 For Del Sol 1993 1997 For Integra Dc2 1994 2002 Auto Parts
Amazon Com Crash Parts Plus Front Passenger Side Primed
1997 Honda Civic 2 Door Hx Ka Cvt Brake Lines Honda Parts Now
1997 Honda Civic Del Sol Parts Honda Parts Oem Honda
1hgej8140vl002020 1997 Honda Civic Ex Price Poctra Com
Details About 4 Pcs Ngk V Power Spark Plugs For 1993 1997 Honda Civic Del Sol 1 6l 1 5l L4 Dl
1997 Honda Civic Sdn 4dr Replacement Parts Car Parting Out 17 104 1 Fix Your Car Oem
1997 For Honda Civic Lateral Link Control Arm 52400 Sr3 000
2001 Honda Accord Parts Diagram Wiring Diagram All
97 Honda Civic Engine Diagram Honda Civic Parts Diagram 2001
Car Truck Exterior Parts For 1997 Honda Civic Outside Door
Genuine Honda Civic Type R Ek9 Right Side Headlamp 1997 2000
Buy Auto Parts Custom Car Community Wheelwell
1997 Honda Civic Control Module Mt Engine Computer Ecu
1997 Honda Civic 15 U Pull It Auto Parts Dis Dat Auto
Honda Civic Honda Civic 1997 Hatchback Parts
1996 1998 Honda Civic 4dr Jdm Tail Light Red Clear 1997 Car
Honda Civic Ustrojstvo Tehnicheskoe Obsluzhivanie Remont
1997 Honda Civic 15 Vtec 3 Door Sunroof Parts Or Repair For
Us 95 22 19 Off New Lower Control Arm Kit Billet Lower Control Arm Lca Subframe Brace For Honda For Civic 1992 1995 For Honda Del Sol 1993 1997 In
1997 Honda Civic Accessories Parts At Carid Com
0307852337 Motorchik Korrektora Fary Honda Civic 1997 1 4l
Intake Manifold Sohc For 1997 Honda Civic Coupe Honda
Honda Civic Honda Civic 1997 Hatchback Parts
1997 Honda Civic Ex Parts Or Take All For Sale In Los
Ruchka Dveri Vneshnyaya Honda Civic 1997 2001 Mal New Kupit S
1997 Honda Civic 2 Door Hx Kl Cvt Cvt Transmission Housing
97 Honda Civic Engine Diagram Honda Civic Parts Diagram 2001
Reviewed by Aria
on
9:58 PM
Rating:




